Konstrukciók
Tartalomjegyzék:
1. Konstrukciós tevékenységem
1.1. 800 W Lineár végerősítő - GU81M elektroncsővel
1.2. Home-made TCVR
1.3. Antenna hangoló-illesztő egység félvezetős rádiók üzemeltetéséhez és javításához.
1.4. Antennaimpedancia mérőműszerek
1.5. FET Grid dip oszcillátor (GDO)
1.6. Áteresztő tranzisztoros stabilizált tápegység 13,8V - 40A
1.7. Változtatható értékű induktivitás
1.8. Elektronikus, kétkaros morzebillentyű
1.9. Áteresztő tranzisztoros stabilizált tápegység 13,8V - 10A
1.10. Az FT-901 rádió konstrukciós átalakítása
1.11. Elektroncsöves adó-vevő egység konstrukciós átalakítása
1.12. Arduino fejlesztő felület kísérleti célra
1.13 13,5V - 30A áteresztő stabilizátoros tápegység
1. Konstrukciós tevékenységem
Már a kezdetektől fogva elsősorban a rádióépítés, a különféle áramkörök elkészítése, azok mérése, valamint elfogadható kivitelezése érdekelt. Természetesen, akkor nem lehetett hipp-hopp rádióengedélyhez jutni, sokszor évtizedekig tartott az oda vezető út. Maga a rádióforgalmazás az amatőr frekvenciákon először a veszprémi MHSz-klubban, a HA2KRB állomáson vált lehetővé, "operátor" minőségben, az állomásvezető szigorú felügyelete alatt.
Annak idején elsősorban a tantermi foglalkozások, majd az azt követő műhelyfoglalkozások határozták meg és jelentették számomra a rádiós tevékenységet.
Olyan kiváló oktatóim voltak, elsősorban HA2SV, Bácskai Béla, valamint HA2RI, Brenner László - akik elsősorban a készüléképítés fortélyait, az áramkörök gyakorlati megvalósítását, az alapvető elektromos és gépészeti technológiák elsajátításán keresztül valósították meg.
Annak idején nem naplóztam a tevékenységeimet, így megszámlálhatatlan szerkentyűt próbáltam meg elkészíteni, amiben a klub adta a legalaposabb segítséget. Amire emlékszem, az egy tápegység, ami elektroncsöves berendezésekhez alkalmas feszültségeket állított elő. Aztán összeraktam egy ún. "csőbúgót", amely egy kibelezett néprádió fadobozában volt elhelyezve - ezzel gyakoroltam a morze adást. A klubba járás a Veszprémi Vegyipari Technikumba járással párhuzamos időben történt, így az érettségi bekövetkeztéig már egy akkor korszerűnek mondott "rókavevőt" is sikerült összerakni, ráadásul nem audion, hanem szuperheterodin kapcsolásban.
Az évtizedek alatt több rádióvevőt, adó-vevőt, különféle elektronikus műszert is készítettem, így szignálgenerátort, oszcilloszkópot, különféle kisegítő műszert, tápegységeket. Én még az elektroncsöves technikán "szocializálódtam", ami máig is kedvenc technológiám, elsősorban az adástechnikában. Abban az időben folyt a tranzisztor és az elektroncső "párharca", lassan a félvezetők átvették az elektronikában a vezető szerepet. Ennek ellenére sok tekintetben újból reneszánszát élik a "rádiólámpák", hogy csak az akusztikát említsem.
Jómagam a vételtechnikában is részben elektroncsöves kapcsolásokat részesítek előnyben, ami elsősorban a vevők jel/zaj viszonyának minőségében mutatkozik meg.
Természetesen az elektronika már majdnem teljesen a félvezetőkre épül, amit elsősorban a mikroelektronika és a miniatürizálás alakított ki.
1.1/1. 800W Lineár végerősítő, GU81M elektroncsővel

1.1/2. A lineár végfok elölnézeti képe.
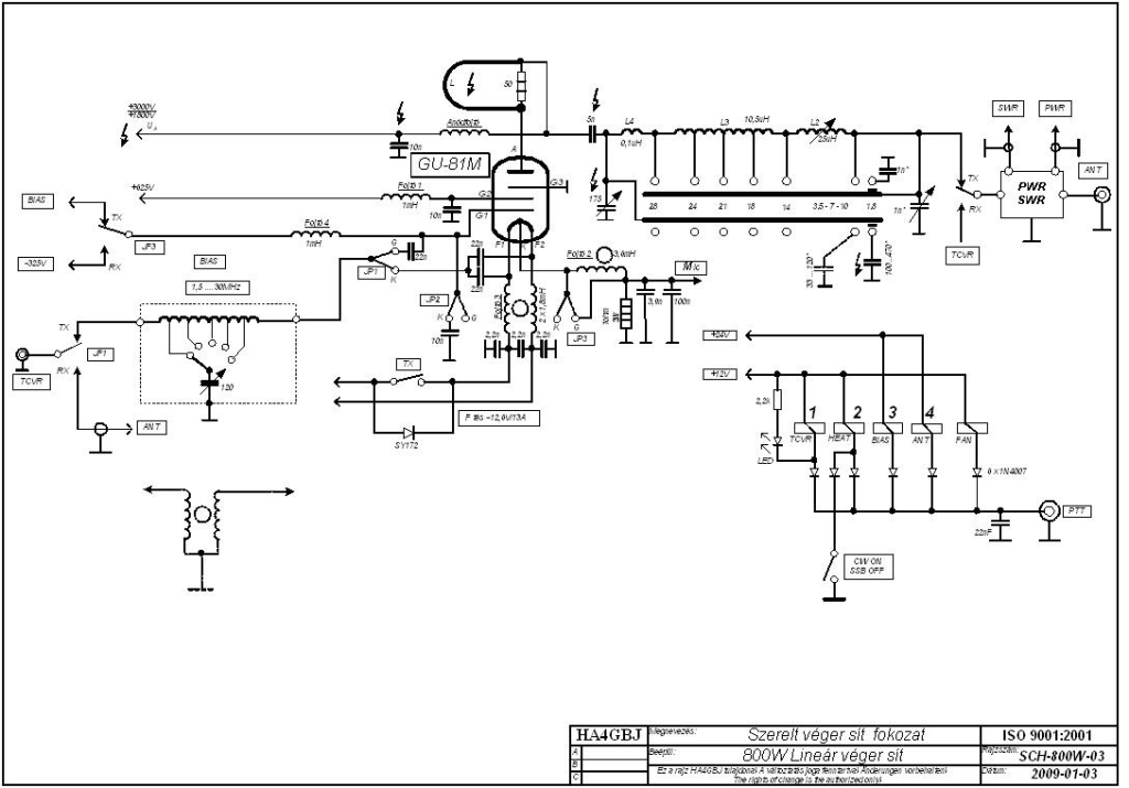
A készülék sávfelosztása nem kizárólag a szokásos rádióamatőr frekvenciákra lett kialakítva, hanem 1,5 MHz-től 30 MHz-ig. Alkalmas rácsban, ill. katódban történő meghajtásra is. Az erősítő GU81M elektroncsővel készült, tartalmazza a tápegységet is. A működést segédáramkörök és automatika áramkörök teszik kényelmesebbé. Az alsóbb frekvenciákon 1 kW rádiófrekvenciás teljesítmény vehető ki, a felsőbb frekvenciákon kb. 600 W, 51...75 ohm impedancián.

1.1/3. A GU81M elektroncső beépítése.
A csövet mindenféle "levetkőztetés" nélkül. eredeti állapotában, eredeti foglalattal (!) építettem be, ahogy az az ipari, katonai berendezésekben szokásos. A tévhitetekkel ellentétben, a cső nem fog jobban működni, ha "lehúzzák a Maruszja szoknyáját". A lefosztott cső sérülékeny, balesetveszélyes, a felfogatása nem stabil, 3 kV anódfeszültségnél nem szabad játszadozni. Ha megnézzük a cső adatlapját, világosan elő van írva, hogy a frekvencia növelésével arányosan az anódfeszültséget csökkenteni kell. 50 MHz-nél már csak 1600 volt a megengedett anódfeszülttség. A Collins-kör L/C viszonyai kompenzálják a cső magas belső kapacitását.

1.1/4. A Collins-áramkör térbeli elhelyezése.
A kapcsolás érdekessége a saját ötletből kialakított, régi villanyórák forgó tárcsáiból összeállított nagy légrésű PLATE-kondenzátor, (13....175 pF) és az szintén home-made készítésű LOAD-kondenzátor, (15....1000 pF). A ventillátor nem elsősorban a csövet hűti, hanem a rekesz alkatrészeit óvja a túlmelegedéstől. A végfokban átlag 5....600 W disszipáció következtében felszabaduló hőt kell kiszellőztetni.

1.1/5. A speciális PLATE-forgókondenzátor konstrukciója.
A villanyóra tárcsákból és sík alumínium lemezekből, távtartó perselyekből és összekötő csavarokból álló szerkezet miniatűr golyóscsapágyakon forog, végtelenítve. A pajzslemezek szigetelő funkciót látnak el, 5 kV-nál még nem ütött át. A forgórész leszedő tárcsán keresztül kapcsolódik a GND-re. A légrés mindkét állólemez között 6 + 6 mm.

1.1/6. A végfokozat kapcsolási rajza.
A kapcsolás érdekessége, hogy mivel mellőztem az elterjedt ún. "földelt rácsos" (döglött rácsos) megoldást, a csövet eredeti, pentóda funkciójában használom. Igaz, ez kissé megbonyolította a tápfeszültség ellátást, de a csőmeredekség és a felső határfrekvencia jobb hatásfokának biztosítása érdekében a pentóda kivitelt építettem meg, szigorúan a cső adatlapja szerinti beállításokat követve. A rácsban, ill. katódban hajtást ún. "jumper" érintkezőkkel oldottam meg, úgy, hogy a cső beállítása mindkét üzemmódban paramétereiben ugyanaz. A bemenetet végül is 1:4 áttételű toroid transzformátoros táplálással valósítottam meg.

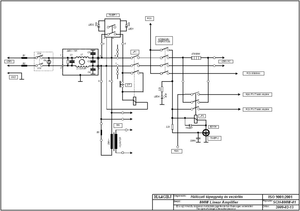
1.1/7. A tápegység automatikus vezérlése.
A kapcsolás az automatikákat ábrázolja, hálózati zavarszűrő egységel, és két időzítő automatikával. A első automatika állítható időegységgel előfűti a csövet, és kb. 3 perc elteltével rákapcsolja a hálózati feszültséget a sorkapocslécre. A második időzítő 2 mp késletetéssel a hálózati transzformátor primer tekercsére adja a feszültséget. Az önfenntartó áramkör a hálózat kimaradásakor csak az indítási procedúra újbóli végig követése után engedi a terhelést rákapcsolni a végfokozatra. A tápegység üzemi állapotát az előlapi LED sor jelzi.

1.1/8. A végfokozat hátulnézete.
Látható a hátoldali csatlakozók és biztosítékok elhelyezkedése, az 1600 VA hálózati transzformátor, a Collins-rekesz és a szerelvények. A hálózati transzformátor primer tekercse osztott, ami a szekunder feszültség csökkentését szolgálja a magasabb frekvencia tartományokban.

1.1/9. A GU81M elektroncső alsó szerelvényezése.
A katódfojtó és a fűtőkör fojtótekercsei alacsony frekvenciás, nagy átfolyó áramokra méretezett, tokozott toroid magos tekercsek, 2,5 mH induktivitással. A cső elektródái csúszósarus érinkezéssel csatlakoznak, ami megkönnyíti a szerviz lehetőségeket. Láthatók a vezérlő rács és a segédrács osztott tekercselésű fojtótekercsei, és a "jumperek", amiket panelba szerelhető biztosíték tartóban helyeztem el. Rács és katódvezérlés váltása esetén a 3 db. "jumper" átdugaszolhatóak. (Lásd: 1/e. ábra)

1.1/10. A végfokozat sasszi alatti elrendezése és huzalozása.
Az alsó szerelési térben láthatók a különféle automatika és segédtápegység áramkörök NYÁK-lemezei, az időzítő áramkörök, a fűtéskorlátozó dióda, valamint az üzemmód- és funkció váltó relék, ill. ezeknek huzalozása.
A berendezés 2009-óta, változatlan formában kisebb hibákkal működik. A javítást a kisméretű görgőkön guruló vázszekrény teszi lehetővé, mert a szerkezet 35 kg, emelgetése kissé problémás. Ha elromlik, kihúzom a helyéről a mozgatható szerelő asztalra és ott elvégezhető az összes javítás.
Aki részletesebben érdeklődik a végfokozat felépítéséről, az keressen meg és külön tájékoztatást adok.
1.2. Home-made TCVR
Nekem szilárd meggyőződésem, hogy az egyébként hatalmas műszaki fejlődés ellenére - amelyet a félvezető ipar és a számítástechnika produkált az elmúlt 50 évben - a rádió technika vonatkozásában nem a legmegfelelőbb irányban haladt. Senki sem kívánja vissza azokat az időket, amikor az amatőrök még többnyire saját építésű rádiókkal létesítették az összeköttetéseiket, mert voltak akkor is nehézségek, főleg, ami az alkatrész ellátottságot és a műszerezettséget illeti. De a kor szépsége abban rejlett, hogy sokat kellett tanulni, kísérletezni, ami mindenképpen a rádióamatőrök tudását erősítette. Mivel az egyéni lehetőségek korlátozottak voltak, sok helyen szervezett, támogatott rádióamatőr mozgalom alakult ki, amely a rádióklubok, iskolai szakkörök keretében tette lehetővé a rádiók építését és a rádiózás elsajátítását. Az itt tevékenykedő fiatalok egy része képezte a technikus- és mérnökképzés alanyait, akikre akkoriban a fejlődő elektronikai iparnak nagy szüksége volt.
Ez a bevezetést azért tettem, mert az amatőrök és a gyárak alapozták meg a rádióberendezések műszaki paramétereinek a kialakítását, az elektroncsöves technika és az akkor kezdődő félvezetős készüléképítés műszaki alapmegoldásait. Személyesen az MHSz rádióklubokban, a Videoton rádiófejlesztésében és a hadseregben alapoztam meg azokat az ismereteimet, amelyeket megpróbálom nem eltitkolni azok elől, akiket érdekel a rádióamatőr műszaki tevékenység.
A rádióamatőr tevékenységem több, mint 50 éve során számos készüléket építettem, kezdve a detektoros rádiótól a korszerű amatőr berendezésekig. Mivel aktív időmben ott állt mögöttem valamilyen üzemi háttér, a készülékek konstrukcióiban a mechanikai részek elkészítése erősen tükrözte a gépi megmunkálások tekintetében a "gyárszerű" kivitelezést. Az áramköröket kezdetben "térbeli" szereléssel készítettük, majd a nyomtatott áramkörök következtek, és a berendezésekben láthatóvá vált az időközben egyre jobb alkatrészellátás okozta műszaki fejlődés.
Az ipar magas technológiai szinten ontotta az amatőrök részére a jobbnál jobb berendezéseket. Ha néha javítok régebbi gyári készülékeket, mindenképpen igazolódik az a meglátásom, hogy a régi készülékek hangja, vételkészsége, jel-zaj viszonya bizony sok esetben jobb, mint a mai méregdrága, a digitális technikát alkalmazó, többnyire túlbonyolított berendezések. Annak ellenére, hogy az akkori legbonyolultabb rádiókban is - a mai készülékek alkatrészeinek csak a töredékére volt szükség, nem beszélve a javíthatóságról, az amatőr átalakítási lehetőségekről.
A készülékek szolgáltatásai elérték azt a fokot, hogy a közben silányabbá vált műszaki tudás miatt csak kis részben tudja az amatőr kihasználni és alkalmazni őket.
A rádió vételkészség és a jel-zaj viszony jobb értéken tartása miatt, az általam tapasztaltak figyelembe vételében megépítettem egy olyan elektroncsöves alapokon nyugvó transceivert, ami tükrözi a rendelkezésemre álló műszerek, anyagok és kapcsolástechnikai megoldások kombinációit.
Sajnos, a teljes esztétikai befejezés az egészségi állapotomban bekövetkező változás és a sok kezelés, kórházban és szanatóriumban eltöltött idő miatt még nem sikerült, azonban a készülék már üzemképes, és kibróbáltam az éterben is és nagyon meg vagyok elégedve vele.

1.2/1. A lényegében elkészült TCVR még dísz előlap nélkül
Egy csehszlovák OTAVA 79 típusú tcvr vázát felhasználva, mind a készüléket, mind a tápegységet, hasonlóan a korai elektroncsöves berendezésekhez hasonlóan alakítottam ki. Az elektroncsöves fokozatokon kívül, elmaradt a sávok lekeveréséhez használt heterodin keverő fokozatok alkalmazása, a HA7SG Schulz Gabi által konstruált, korai DDS szintézer lett beépítve. A rádió vevője 9-sávos kivitelű, preszelektoros, Collins-körös végfok, a rádió adó- és vevőrésze teljesen elektroncsöves - kivéve a DDS VFO-t és a VOX-ANTIVOX-DELAY áramköröket, amelyen félvezetőkkel épülnek fel. A készülék KF-erősítője, mikrofon erősítője, AGC és BFO áramkörei egy kissé módosított FT-250 rádió alaplemezen valósultak meg, a preszelektor-driver áramkör, valamint a Collins-fokozat elektroncsövekkel lett, térbeli szereléssel kivitelezve. A balanszmodulátor volt annak idején a leggyengébb része az FT-250-nek, azt a Drake-TR4C kapcsolása alapján készítettem el.
Az előlap elkészülte után a kezelő szervek gombjai egységes dizájn szerint lesznek lecserélve.

1.2/2. A TCVR felülnézete
Látható a KF-panel, a klasszikus RF-kialakítás, a preszelektor és az adó-vevő elektroncsövek, a DDS-VFO, a balanszmodulátor és a VOX-áramkörök. A végfokozat 1 db 6P45Sz elektroncsővel működik, 50-70 W kimenő teljesítményt produkálva.

1.2/3. A TCVR még az építés korai fázisában
Láthtó, hogy a masszív vázkeretbe épült készülék kialakításában követi a klasszikus, sasszi szerkezetet, az árnyékolások biztosítják az összegerjedés elkerülését. A preszelektor-driver több kibelezett VEF rádió KF-tekercseinek serlegeiből lett összeállítva. A sávok váltását végig fűzött 10 állású kerámia tárcsákkal összeszerelt YAXLEY kapcsolósor végzi. A kép középső részén látható a Drake alapján épített balansz modulátor, ami a ma már beszerezhetetlen 7360 típusú elektroncsövet váltotta ki vastagréteg alapú dióda kvartettel, és egy EF80 típusú elektroncsővel. A vivő elnyomást -50 dB-re sikerült beállítani.

1.2/4. A sasszi alulnézete
Jól látható a rádió "front-end" részének térbeli szerelési vázlata, amely a klasszikus huzalozással, forrasztó lécek segítségével lettek közvetlenül az alkatrészekhez huzalozva. A közös tengelyű yaxley tárcsás kapcsoló az adáskor és vételkor ugyanazokat a rezgőköröket kapcsolja az adott frekvencia sávnak megfelelően, miközben az aktuális üzemmód szerint hol a vevő, hol az adó áramköreit aktivizálja. Egyúttal a végfokozat meghajtó és Collins-körét is az adott sávnak megfelelően kapcsolja. A rádiófrekvenciás áramköröket a gerjedés és a parazita csatolások elkerülése érdekében köztes árnyékoló rekeszekkel láttam el. A kép a TCVR közbenső építési állapotában készült.
1.3. Antenna hangoló-illesztő egység félvezetős rádiók üzemeltetéséhez és javításához.
Előfordul, hogy az amatőr laboratóriumban megfordulnak elsősorban próba és javítás esetén félvezetős TCVR-ek, amelyek javításához és beméréséhez műantennákat használok. De az éterbeli próba esetén kell egy megfelelő antennaillesztő, hogy a rádió adás-vételi tulajdonságait meg lehessen tapasztalni. Erre célra fejlesztettem ki az alábbi készüléket, amely 1,5....30 MHz között illeszti az antennát 50..75 ohm aszimmetrikus, és 300...600 ohm szimmetrikus impedanciákon.

1.3/1. Az antenna illesztő előlnézeti képe
A készülék egy "Kontaset" doboz vázára készült, NYÁK és perforált lemez burkolattal, melyeket az alumínium összekötő lécek megfelelő hornyaiba lehet becsúsztatni. A készülék kézi hangolású, az 1,5....30 MHz sávot 4 szektorra osztva hangolja át. Amikor az áramkörök rezonancián vannak, akkor mérhető az adott impedancia mellett a legnagyobb RF-jelszint a kimeneti csatlakozókon. Ezt a rádiófrekvenciás feszültséget egy diódás indikátor jelzi, amit a mindenkori kimeneti teljesítmény alapján egy szintszabályzó potenciométerrel lehet a skálához kalibrálni.
A bemenetet egy peddingekkel kiegészített differenciál kondenzátor illeszti a TCVR limenetéhez, belső változtatható induktivitás, egy 2,5....75 µH variométer, és egy soros kimeneti, az áramrezonanciát beállító forgókondenzátor végzi. Az 50...75 ohmos aszimmetrikus impedanciát egy szimmetrikus 300....600 ohmos impedanciára egy toroid transzformátor végzi.

1.3/2. Az antenna illesztő hátoldali képe
A doboz esztergált, felcsavarozható lábakon áll. A hátfal két oldalán lett elhelyezve a két porcelán átvezető, amihez a szimmetrikus tápvonal (macskalétra, tyúklétra) küzvetlenül csíptethető. A központi földelő csavar biztosítja a Kirchoff áramok kompenzálását. A belső szerkezet sehol sem ér hozzá a fémdobozhoz, minden galnvanikusan szigetelve van és csak a földelő csavarral érintkeznek. Látható a be- és kimeneti aszimmetrikus koaxiális csatlakozók és az üzemmódot átváltó yaxley kapcsoló gombja.

1.3/3. Az antenna illesztő felülnézeti képe
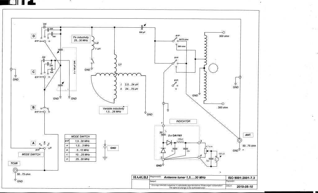
Látható a bemeneti differenciál kondenzátor és a peddingekkel kiegészített sávkörzet kapcsoló. A fő induktivitás egy 2,5....75 µH, két fokozatú variométer, amely 1,5...26 MHz közötti tartományban működik. A 28 MHz-es sáv a variométerrel párhuzamosan kapcsolt 2,5 µH tekerccsel lett megoldva, amelyet a paralel variométer még finoman hangolni is képes. Az indikátor műszer a kimeneti ponton keletkező rádiófrekvenciás szintet indikálja, potenciométerrel finoman állítható módon. Ez azért szükséges, mert a kimeneti RF-szint adott teljesítményen és frekvencián más-más RF-szintet indikál - és ne vágja magát "pofon" a műszer mutatója.

1.3/4. Az antenna illesztő kapcsolási rajza
A bemeneti differenciál kondenzátor alapból 2 x 100 pF volt, emiatt a teljes rövidhullámú frekveciatartományt csak úgy tudtam végighangolni, hogy padding kondenzátorokat párhuzamosan kapcsolva a forgókondenzátorral, 4 sávra osztottam az 1,5....30 MHz terományt. 1,5....24 MHz-ig a két fokozatú, 2,5....75 µH induktivitás átfogású variométerrel lehet kihangolni. A 28-30 MHz tartományban egy 2 µH tekercs lett párhuzamba kapcsolva, amit egy, az előlapon elhelyezett PUSH-PULL kapcsolóval lehet aktivizálni. Így rendkívül finoman lehet kihangolni a 28 MHz sáv induktív komponensét. A kimeneti soros illesztést egy 2 x 500 pF forgókondenzátor egyik szektora végzi. Az illesztőt át lehet kapcsolni BYPASS, aszimmetrikus és szimmetrikus áteresztési üzemmódra, hogy nem csak koaxiális, hanem párhuzamos tápvonal (tyúklétra, macskalétra) is rácsatlakoztatható legyen.
Mivel a kihangoltság legmegfelelőbb pontja akkor van, amikor az adott antenna impedanciájának megdelelő illesztés létrejön,így tehát az adott impedancián a legnagyobb a kimeneti feszültség. Ezt egy diódás szint indikátor mutatja. Az adott teljesítményhez megfelelő műszer kitérést az ADJUST potenciométerrel lehet beállítani.
A berendezés 1 kW teljesítményig használható.
1.4. Antenna mérőműszerek
.jpg)
1.4/1. Antenna impedancia mérő híd
A szerkezet egy rádiófrekvenciás Wheatstone-híd, amelyet szignálgenerátorról lehet táplálni. a mérési tartomány aszimmetrikus antennák esetében 25....100 ohm. A közép "0"-ás műszerrel indikálható az impedancia, amikor a műszer középállásban 0-értéket mutat, akkor kell leolvasni az ohm értéket. A mai, digitális kütyükön szocializálódott amatőröknek egy kicsit furcsa, mint a tolómérő, a logarléc, meg minden, ami analóg skálás - de attól függően a célnak megfelel.

1.4/2. VK5JST által konstruált antenna analizátor megépítése
A képen látható analizátort saját elképzeléseim szerint valósítottam meg, belső telepes, ill. külső tápegységről is üzemeltethető. A display háttérvilágítása kikapcsolható a telep kímélése céljából. 8 db 2A elemrők, vagy 1,2 V-os 2A akkumulátorról táplálható. 1,3...60 MHz között, 6 sávban átkapcsolható oszcillátorral rendelkezik.

1.4/3. Az analizátor ún. "öcsi" panelen készült, mert a nyomtatott alaplemezen a több változtatás miatt kaparások, gányolások lettek volna, így az esetleges rossz kötéseket, ill. a változtatásokat probléma nélkül el lehetett végezni.

1.4/4. A 2 x 16 digites alfanumerikus display a panel felett van dugaszolva a sor érintkezőre. Rögzítése távtartókkal. A display háttérvilágítása kikapcsolható.
Az általam megépített készülék oszcillátora stabilabb lett, mert nem ún. "mikroinduktivitásokkal" készült, hanem Manifer 4-es vasmagokkal, amelyek az adott frekvenciasávokhoz legjobban alkalmas vasmagokkal szerelt csévetestekből áll. A jobb rezgőköri jóság miatt a hangolási tartományokban az L/C viszony legfeljebb 1:3 arányú változásai miatt a rezgésamplitúdók stabilabbak, így a kimeneti 3V nagyfrekvenciás szint jól stabilizálható. Az oszcillátort egy dugaszolható modulra építettem meg, ami szükség esetén kiemelhető.
1.5. FET GDO

1.5/1. FET-GDO
A "Műszerek" menüpontban több kép és adat is található. Ez a műszer 100 kHz-től 60 MHz-ig 12 cserélhető tekerccsel fogja át a hosszú-, közép és rövidhullámú tartományokat. Nem csak amatőrcélra, hanem műsorvevők ellenőrzésére is használható. A beépített oszcillátor frekveciáját egy 75 MHz-ig működő frekvenciamérő méri. A 2 x 60 pF-os, ún. "lepkeforgó" áttételes hangológombbal finoman hangolható. GDO és abszopciós frekvenciamérő üzemmódban is működik.
1.6. 13,8 V - 40 A áteresztő tranzisztoros stabilizált tápegység
.jpg)
1.6/1. Stabilizált tápegység 13,8V - 40A
Egy YAESU hangszóródobozba építettem be egy transzformátoros, áteresztő stabilizátoros tápegységet, A transzformátor 630VA-EI lemezelt, a stabilizátor túlfeszültség és túláram védett áramkörökkel ellátott.
.jpg)
1.6/2. A 13,8V-40A tápegység belső nézete.
A dobozt egy alsó vázkerettel merevítettem meg, amelyre az előlapot erősítettem fel a kezelőszervekkel. A transzformátor az első egyharmad részen van az alvázlemezhez erősítve csavarkötésekkel. A 2 x 2 db SY172 diódákból álló Graetz-egyenirányító szigetelt lemezre szerelt 2 db hűtőbordán nyert elhelyezést. Szigetelt NYÁK-lemezre vannak forrasztva az elektrolit kondenzátorok, összesen 100 000 µF értékben. A +19V puffer feszültséget 5 db paralel 2N3055 áteresztő üzemű tranzisztor biztosítja, 1 db tranzisztor darlington-kapcsolásban vezérli az áteresztőket. A referencia feszültséget µA 7815 stabilizátor áramkör biztosítja. A tranzisztorok forszírozott léghűtéssel vannak hűtve a hűtőborda közvetítésével. A ventillátorok fordulatszáma termisztoros automatikával történik.
1.7. Változtatható értékű induktivitás.
1.7/1. 3 pont érintkezős, csúszkával ellátott 1...22 µH induktivitású tekercs, amelyet elsősorban a Collins-áramkörök beállításához készítettem. Könnyebben meg lehet állapítani a Collins-kör sávonkénti rezonanciáit, és a mérések alapján el lehet készíteni az oda szükséges végleges üzemi tekercseket. Alkalmas továbbá arra is, hogy a kísérleti-fejlesztő munkák alkalmával adott kondenzátorokkal párhuzamos, vagy soros rezgőköröket alkossunk, és adott frekvenciákon a kiszámított kapacitásokhoz meg lehet határozni a szükséges induktivitás értékeket.
1.8. Elektronikus, kétkaros morzebillentyű.

1.8/1. Ezt a kis szerkentyűt magamnak készítettem, mert ami hasonló szerkezetek kaphatók, meglehetősen drágák számomra. Ezen túlmenően, minek vegyek meg olyasmit, amit magam is el tudok készíteni?

1.8/2. Az elkey kezdeti összerakási munkálatai. A panelen van a tápegység, a hanggenerátor. Az áramkör 555 IC áramkörökön alapul. A kétkaros mechanika teljesen saját "tervezésű", a fiókban fetrengő alkatrészekből lett összeszedve. A "szikraköz" kontrázható M3 csavarokkal finoman beállítható.
1.9. 18,8V - 10A áteresztő stabilizátoros tápegység
1.9/1. Egy URH készülék táplálására készítettem a lomtárban fellelhető műszerdoboz roncsból és fiók kacatokból ezt a kis tápot. A kapocsfeszültséget egy digitális mérőpanel, az áramot egy régi katonai rádióból kiszerelt Depréz műszer indikálja.
1.10. FT-901 rádió konstrukciós módosítása
1.10/1. A 20 éve vásárolt FT-901DM rádióm eleve hibás volt és sok hiányosságot mutatott. Az évek folyamán folyamatosan karbantartottam, kisebb módosításokat végeztem rajta - ami ehetővé tette, hogy azóta is használom. Az egyik módosítás a végfokozat orosz csövekre való átállítása.
Az eredeti 6146B, ill. 6146W csövek csak nagyon drágán szerezhetők be - azokból is csak utángyártott példányok. A rendkívül stabil és jelentős disszipációval rendelkező szovjet (orosz) 6П36С (6P36Sz) csövek sokban hasonló elektróda kapacitásokkal rendelkeznek, mint az eredeti RCA ill. Sylvania csövek, így lényegében a meghajtó és Collins-kört sem szükséges utánhangolni - ami nem egy utolsó szempont. A legnagyobb gond a 12BY7A elektroncső beszerzése volt, ezt hosszas kísérletezések után a QQE03/12 csővel sikerült kiváltani. Ez egy URH végcső, aminek a kapacitás adatai természetesen szintén nem befolyásolták károsan a preszelektor/driver rezgőköreit. A cső bekötése nem egyezett az eredetivel - de mivel rendkívűl bonyolult lett volna megbontani a meghajtó cső áramkörét - egy "emeletes" foglalattal átkötöttem a megfelelő pontokra az elektródákat. A cső amúgy is 12V fűtőfeszültségű - így e tekintetben sem keletkezett újabb probléma. Már 4. éve ezzel a végfokkal használom a készüléket, s mivel a rádióaktivitásom is alábbhagyott, szerintem ez már ki fog engem szolgálni fennállásom hátralévő éveiben.
1/11. Elektroncsöves adó-vevő egység kontrukciós átalakítása

1.11/1. Egy kedves amatőrtárstól "barter üzlet" formájában - egy W3DZZ antennáért kaptam egy, a volt tulajdonosa által régóta nem használt, több hibával rendelkező, lényegében üzemképtelen FR-50B és egy FL-50B adó-vevőt.
A neten talált dokumentáció alapján átvizsgáltam a készülékeket, és az eredeti vevő preszelektort a tönkrement rezgőkörök miatt - teljesen át kellett konstruálni. A vevő ún. "mozgó KF" rendszerű, ami a klasszikus 5 amatőrsáv vételére volt kialakítva. Megfordult a fejemben, hogy egyből átalakítom 9-sávosra de a beépítés szerkezete, az egymástól elárnyékolt yayley-tárcsák 9-fokozatúra való cseréje esetén, akár ripityára szét is szedhettem volna a készüléket - de ez már nem érte volna meg. Maradt az eredeti sávkiosztás és a rezgőkörök újragyártása. Nem volt "semmi" munka - ezt utólag bátran kijelenthetem. Még azzal a műszerparkkal sem, amivel rendelkezem és az évtizedes tapasztalat ellenére is elég fejtörésre adott okot.
A készülékben több csövet ki kellett cserélni, a frekvencia meghatározó elemek kondenzátorait jó minőségűre cseréltem. Az összes trimmerkondenzátort szovjet katonai kerámia alapú légtrimmer kondenzátorokra cseréltem, újrahangoltam az összes rezgőkört.
Amikor először bekapcsoltam, meghallottam a vételi minőséget, újra megerősödött bennem a már régóta hangoztatott véleményem, ami miatt én nem építek félvezetős rádiókat. Használok olyanokat is, de ez az igazi. A készülék gyenge pontja a II. KF 455 kHz-es szűrője - ami 4 kHz-es a 6 dB pontokon, ezt ki fogom cserélni 2,7 kHz-es szűrőre.
A vevő VFO vezérli az adófokozatot is. A két készülék külön-külön tápegységet használ, ezért egymástól függetlenül is használhatók.
1.12. Arduino fejlesztő felület kísérleti célra.
Időközben az elektronika fejlődése alaposan elhúzott mellettem, amin túl a hetvenen, már nem lehet csodálkozni. Az életutam más területeken haladt, s mivel a rádiótechnika nem a hivatásom volt - csupán hobbi - természetesen nem tudtam vele minden tekintetben folyamatosan fejlődni. Ez nem szégyen, csupán kellemetlen állapot. Ettől függetlenül, ami az elektronikából a rádiótechnikában részemről használható, abba periférikusan belefogtam. Így alakult ki döcögősen az Arduino-val való próbálkozás, aminek eredménye a képen látható fejlesztő felület - az első számítógéppel megírt program részlet, amely első lépés volt a hardver és a szoftver megismerés tekintetében. Sajnos, amikor még én tanultam a számítástechnikát, abban az időben főleg az adatfeldolgozás volt a "főcsapás" iránya, a szekrény méretű szalagos komputerek nem igazán voltak a mérnöki tervezés fő műszaki háttere.
1.12/1. Arduino fejlesztő panel
Az úgy nevezett "Öcsi" panelen - sokan komolytalannak tartják, pedig nagyon elterjedt a hivatásos áramkör fejlesztésben és tesztelésben - beültettem a képen látható alkatrészeket. Itt egy Nano Arduino panel, egy alfanumerikus display és a szükséges egyéb alkatrészek láthatók, amik a panel tulajdonságai miatt bármikor átköthetők, így megváltoztatható az alkatrészek kapcsolása és kivezetéseinek átpozicionálása - ami fix nyomtatott áramkör esetén mindig új NYÁK készítését tenné szükségessé, amely "bele vinné az amatőrt az erdőbe" rendesen.

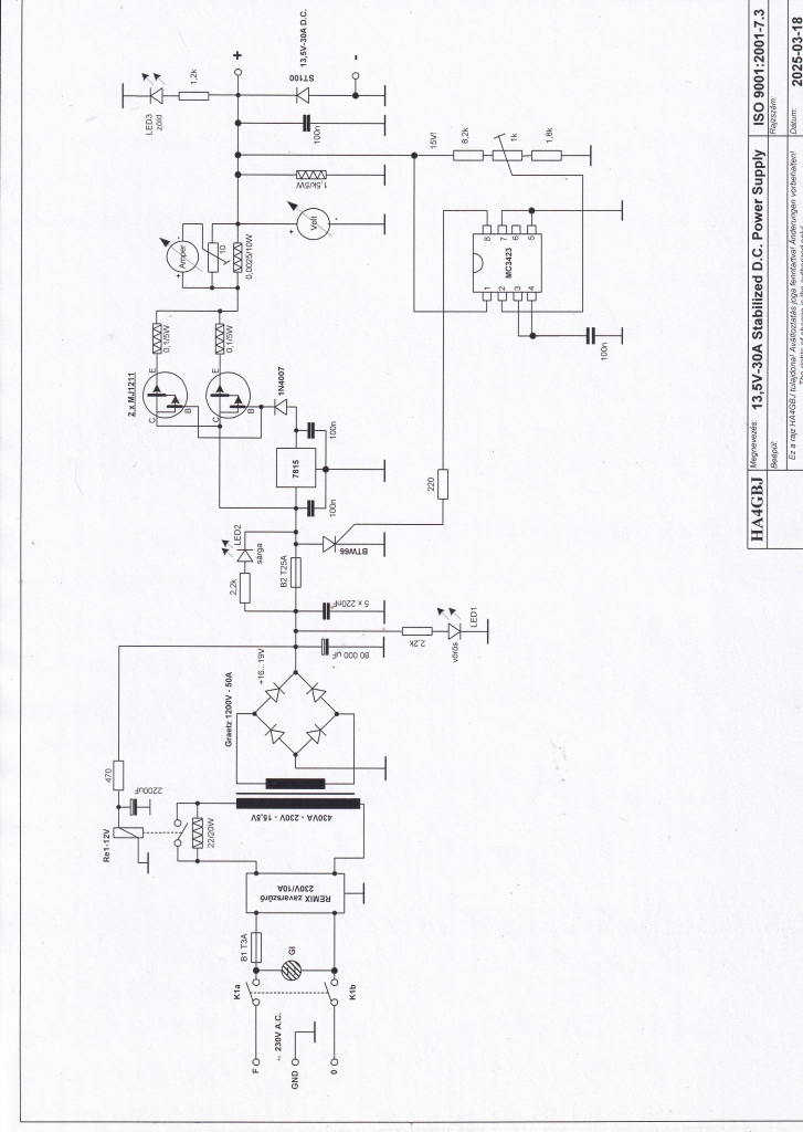
1.13/1. 13,5V - 30A stabilizált tápegység.
A képen látható a legújabb konstrukcióm, amely egy hagyomásos megoldású transzformátoros-áteresztő tranzisztoros kapcsolással készült. A tápegység befoglaló méretei: 135 x 150 x 250 mm. A szerkezet előlapját és a hátul elhelyezett hűtőbordát 4 db 10 x 10 mm-es négyszögprofil köti össze. A transzformátor a súlya miatt egy külön tartólemezen helyezkedik el, amely a két alsó összekötő rúdon nyugszik.
A kapcsolás egyszerű. 2 db MJ1211 típusú 30A áteresztő képességű, párhuzamosan kapcsolt Darlington tranzisztorokkal épül fel. A transzformátor egy gyári 430VA, 230/15,5V-os példány. A kimenetet figyeli egy MC3423 feszültség komparátor IC, amely a kimeneten megjelenő 15 V elérésekor begyújtja a BTW66 tirisztort, amely közvetlenül a puffer kimenetére kapcsolt 25 A-es biztosítékot oldja le. Az előlapon lettek elhelyezve a biztosíték tartó foglalatok, hogy az esetleges cseréket egyszerűen el lehessen végezni. Az előlapon 3 db LED jelzi a puffer- és kimeneti feszültségek meglétét, ill. az egyenáramú főbiztosíték esetleges kioldását.

1.13/2. A tápegység képe jobb felől.
Látható a mechanikai szerkezet és a belső kialakítás egy része.

1.12/3. A tápegység kapcsolási rajza