Dokumentációk
Tartalomjegyzék:
4. Dokumentációk
4/1. 500W Lineár végerősítő fokozat kapcsolási rajza több típusú elektroncső alkalmazásához
4/2. Félvezetős DBM-keverő és KF-előszűrő, 1. KF erősítő, kvarcszűrővel
4/3. Az általam kialakított antenna csatlakozó doboz, földeléssel és sztatikus védelemmel
4/4. Kikapcsolható erősítővel felépített, három hangoltkörös preszelektor 9 amatőrsávra
4/5. Collins-kör méretező diagram GU50 elektroncsövekkel felépített végerősítők részére
4/6. Félvezetős tápegység, stabilizátorokkal, a szokásos áramköri feszültségekkel
4/7. Balanszmodulátor átalakítása az FT-250 transceiverben
4/8. Elektroncsöves GDO kapcsolási rajza
4/9. 2. KF erősítő, SHIFT lehetőséggel
4.10. 1. KF erősítő fokozat, AGC és S-mérő
4.11. Hangolható rombusz-loop antenna a 160...10 m tartományban
4.12. Villámdetektor a közeledő zivatarok előjelzésére.
4. DOKUMENTÁCIÓK
Ebben a részben megpróbálom összegyűjteni azokat a dokumentációkat, amiket magam fejlesztettem ki, ill. felhasználtam mások munkáiból. Elég macerás volt az összegyűjtés, elsősorban az általam használt CAD programmal készített rajzok átkonvertálása más, a honlap által elfogadott fájl konverziókra.
A dokumentáció készítése nagy elméleti ismereteket és sok laboratóriumi kísérletezést igényel. Magamat nem tartom egy rádiófejlesztő fenoménnek, ahhoz nincs meg a szakirányú képzettségem. (Vannak, akik szintén nem azok, de ennek ellenére annak hirdetik magukat.
)
A rádióamatőr sajtóban, a nyomtatott és az elektronikus irodalomban olyan hatalmas elméleti anyag áll rendelkezésre, hogy hosszadalmas kutatás és rendszerezés után nagy valószínűséggel találhatunk olyan dokumentációt - amelyeket a gyakorlatban megvalósíthatunk. Soha ne feledjük: Az ördög a részletekben lakozik. És ez nem vicc.
Aki nem tud egy kapcsolási rajzot a gyakorlatban felépíteni, akár térben megszerelni, akár nyomtatott áramkörök készítésére "vetemedik" - az jól gondolja meg, hogy belefogjon-e. Én is követtem el anno orbitális marhaságokat - de szerencsére, ez már nagyon régen volt. Ennek ellenére azért néha továbbra is elkövetek ugyan nem orbitális, de azért eléggé bosszantó dolgokat. Szerencsére azért már ritkábban.
A túlzott magabiztosság, a csalhatatlanság Olympuszán való fetrengés, az okostojás szindróma, a képzelt világ összetévesztése a valósággal, néha szül ostoba kitalációkat - amik menten a kiötlésük után hamvukba hullanak. Teljes meggyőződéssel ajánlom mindenkinek, ha egy-egy áramkörük nem működik azonnal - próbálják meg a nálam jól bevált módszert. Építsük meg a kapcsolást ún. próbapanelen (deszkamodell), ott kipróbálhatjuk a működést, műszerekkel beállíthatjuk a megfelelő alkatrészek értékét és működését. Feszültséget, áramot, munkapontot, frekvencia átvitelt ellenőrizhetünk és utána már lehet a valós kivitelű áramkört térben és kapcsolásban jól kivitelezni. Utána vezessük át a dokumentációba a változtatásokat. Azonnal.
Ez a menüpont kizárólag kapcsolási rajzdokumentációkat fog tartalmazni, technológiai, építési és alkatrész listákat nem.
Ha valaki a rajzok alapján szeretné valamelyik rajz szerinti készüléket megépíteni, abban tudok egyéb úton segíteni.
Az amatőrnek gyakorolni kell az elméleti elektronikai alkatrész jeleknek a valós alkatrészek megjelenési és kiviteli formáinak az agyban történő transzformálását, ill, a térben való szerelés, vagy a nyomtatott áramkörök megtervezésekor a valós alkatrészek fizikai méretei szerint való képalkotási képességét. A rajzokon csak az alkatrész fizikai értékei, pozíciószámai vannak feltüntetve, esetleg szín, méréshatár tűrés adatokkal - de tudni kell, hogy egy-egy érték számos kiviteli alakot ölthet, a feszültség, áram és teljesítmény adatokat figyelembe véve. A konstrukciók kialakításában ma már nem lehet nélkülözni a számítógép és a célorientált szoftverek adta lehetőségeket. Magam is ezt az utat próbálom meg követni, több-kevesebb sikerrel.
A rádióamatőr képzést jobb helyeken pont ennek a képességnek a kialakításával alapozzák meg. A valamikori iskolai úttörő szakkörök és az MHSz klubok voltak rá a példák. Én azt tartom tartalmas rádióamatőr összeköttetésnek, ha ezeket a problémákat pont az éterben próbálják az amatőrök megbeszélni. Én még emlékszem ezekre a nem is távoli időkben folytatott amatőr beszélgetésekre.
Most azonban van egy nagyszerű dolog: az internet. Sajnos, most meg a hozzá való alapismeretek hiányoznak sokaknál.
Megemlítem a valamikor Rádiótechnika folyóiratot, ahol számos konstruktőr tette közzé az általa tervezett, vagy más folyóiratokból átvett konstrukciók elektromos rajzait, ill. az általa megvalósított kész konstrukció gyakorlati megvalósításának és bemérésének műszaki leírását.

4/1. 500 W RH lineár végerősítő fokozat.
Ez a kapcsolás saját tervezés, az irodalomban megtalálható temérdek kapcsolás tanulmányozása után lett megtervezve, "deszkamodellen" összeépítve és valamennyi szóba jöhető elektroncsővel ki lett próbálva.
A kapcsolás érdekessége, hogy a pentóda elektroncsöveket nem földelt rácsos (döglött rácsos) kapcsolásban működteti, hanem normál pentóda kapcsolásban. Semmi értelme "triódává" degradálni a pentódát, mert így a cső meredeksége nem romlik, nem viszünk bele felesleges kapacitásokat a katód és az anód közé, ami az átviteli frekvenciát rontaná. A négy párhuzamos elektroncső katódban mérhető impedanciája 50 ohm körül alakul, így 1:1 áttételű balunnal közvetlenül meghajtható.
Igaz, megbonyolódik a tápegység, kell vezérlő rács és segédrács feszültség is, de ne áldozzuk fel a lustaságunk árán a pentóda kedvező erősítési tulajdonságait.
50 ohm bemenő impedancia mellett 4,7...10 nF csatoló kondenzátor elegendő.
A kapcsolás kisebb alkatrészérték eltérésekkel több pentóda típussal is üzemképes.

4/2. DBM keverő- és elő-sávszűrős 9 MHz-es I. KF fokozat.
Közvetlenül a preszelektor után ajánlott ezt a fokozatot kialakítani, mert jelentősen növeli a KF-szelektivitást, és jó illeszkedik a kristályszűrőhöz. Azért kedvelem a dual-gate MOS-FET tranzisztorokat, mert sokban hasonló egy tetróda elektroncsőhöz. A 2. gate kiválóan alkalmas az AGC részére. Az 1.gate-re vezetett csatolt körös sávszűrő a DBM-en keletkező frekvenciák közül csak a 9 MHz-et engedi át, így a többi keverési termék nem kerül be az I. KF fokozatba. Tisztább a spektrum, kevesebb a zaj. A DBM típusa nem kritikus.

4/3. Antenna csatlakoztató és földelő rendszer kialakítása

4/4. Kikapcsolható előerősítővel felépített, három hangoltkörös preszelektor a 9 amatőrsávra.
Szélessávú bemenetű RH-rádiók elé is beköthető, de bypass módszerrel a bemeneti szűrők be-és kimeneti pontjaihoz is beilleszthető relés átváltással. Kapcsoló diódákat nem tartalmaz, miniatür több tárcsás yaxley-kapcsolókkal válthatók a sávok.
Az első két passzív kör nem fix kondenzátorokkal hajtja végre a felső csatolást, hanem miniatűr, előlapra kivezetett tengellyel ellátott karámia alapú légtrimmerrel csatolja az első kört a másodikra, amit változtatni lehet, így a csatolási tényező és a jelamplitúdó is változtatható - ami sokszor szükségtelenné teszi a bemeneti csillapító osztók használatát. A kapcsoláshoz 6 tárcsás yaxley és 3 szekrényes forgókondenzátor szükséges - amelyet a kezdő- és végkapacitás értékek figyelembe vételével lehet padding kondenzátorokkal "rövidíteni".

4/5. Collins-méretező nomogram
Más típusú elektroncsövek esetében a paramétereket be kell helyettesíteni.

4/6. A Home-made félvezetős TCVR tápegysége.
Az általam tervezett félvezetős TCVR szükséges tápfeszültségeinek az előállítására egy kompakt tápegységet is terveztem. A kapcsolás szokványos, a szakirodalomban megtalálható kapcsolások alapján lett kialakítva, hálózati oldalán rádiófrekvenciás zavarszűrő került beépítésre. Ugyancsak zavarszűrő egység került a kimenő feszültségek vezetékeire is.

4/7. Balanszmodulátor átalakítása az FT-250 transceiverben.
Az eredeti 7360 elektroncső kifejezetten a balanszmodulátorok céljaira tervezett reaktancia cső már-már alig beszerezhető, és úgy is csak csillagászati áron. A cső néhány évi használat alatt annyira legyengült, hogy amellett, hogy már nem vezérelte ki az elnyomott vivő melletti DSB-spektrumot, magát a vivőt viszont egyre jobban áteresztette. Megjegyzem, hogy nem mindig a 7360 volt egyedül a "ludas", hanem az akkori gyenge minőségű, színjelzésű, műanyaggal bevont karbid ellenállások is, amelyek többnyire "megnyúltak", így a rajtuk átfolyó csökkenő áram a hangfrekvenciás kivezérelhetőséget nagymértékben rontotta.
Adódott egy megoldás, amely kiváltotta a 7360 csövet, egy közönséges EF80 elektroncsővel, ami rendkívüli stabil, hosszú élettartamú, KF-erősítés céljaira kifejlesztett, nagy meredekségű pentóda. Az impedancia viszonyok lehetővé tették az eredeti sávszűrők felhasználását. A balanszmodulátor egy AAZ14 típusú, tokozott-integrált vastagréteg dióda kvartett, amely eredetileg is ringmodulátorok részére lett tervezve. Akár -50 dB-vel is elnyomható vele a vivő. Az EF80 az eredeti osztott KF-tekercsre dolgozik (L-105) - amelynek elegendő a felét használni.
A 7360 cső összes környező alkatrészét "kiirtottam", és az eredeti nyomtatott fóliákat felhasználtam az új BM áramköri elemei részére.
Táviró üzemben nem az eredeti "CARRIER" kapcsolást és potenciométert használtam, hanem külön, stabilizált 8 V-ról egy alkalmas értékű "CAR" potenciométerrel lehet a BM-et "kibillenteni" az elnyott vivőből és adáskor a BF oszcillátor teljes szintjét hozzá lehet keverni a lokáljelhez - ezzel szabályozható a CW kimeneti teljesítmény. SSB üzemben természetesen továbbra is a MIC. meghajtással lehet a kimeneti teljesítményt beállítani.
A színuszos kimenőjel alapszintje és szimmetrikus hullámformája az EF80 elektroncső katódellenállás értékével állítható be. Az optimális anódáram az anódmunkaellenállás értékének változtatásával állítható be.

4.8. Elektroncsöves GDO
Sok, az irodalmakban leközölt, megvalósított gyári és amatőr kapcsolások hosszas tanulmányozása után alakítottam ki ennek a GDO-nak a kapcsolási rajzát. Amellett, hogy már egy FET-es GDO-t is elkészítettem, gondoltam, egy jó elektroncsöves, hálózatról táplált műszer is elkelne. Volt már birtokomban sok gyári típus is, de nem minden tekintetben voltam megelégedve némelyikkel. A legnagyobb gondot a különböző sávokon fellépő, többnyire a rezgőköri jóságok eltérő volta miatti jelszint ingadozások okozták - mert néha a hirtelen jel visszaesést össze lehetett téveszteni a dip-el.
A hagyományos, egy tekercses megoldást egy VEF táskarádió forgókondenzátorával valósítottam meg, egy 2 x 320 pF végkapaciású példányt beépítve. A szokásos kettősforgóktól eltérően a kisebb kapacitástartomány miatt több tekercset alakítottam ki, amelyeket hagyományos dugaszolással csatlakoztattam a műszer fő áramköri elemét jelentő rezgőkörbe. A forgókondenzátor a felsőbb frekvenciákon való hirtelen dip-fogása miatt fogaskerék áttétellel van forgatva, amely lehetővé teszi a finomabb beállítást.
A cél az volt, hogy 100 kHz-től legfeljebb 250 MHz-ig terjedő, kisebb frekvencia átfogású rezgőköri rendszereket alakítsak ki. Így 12 db dugaszolható tekercs készült el, 5-5% sávvégi átfedésekkel, hogy ne legyen "lyuk" a hangolási tartományokban.
A kapcsolás teljesen szabványos elemekből áll. Az aktív elem egy PCC189 típusú, kettős trióda, amelyet a régi elektroncsöves televíziók dobváltó egységeiben alkalmaztak, kaszkód kapcsolásban. A cső fűtése 300 mA, jelen esetben 7,2V soros feszültség esésű, így érdekes trükköt sikerült kikínlódnom. A hálózati trafó egy 2 x 7,5V-os szekunder tekercses mini transzformátor, amely terhelés alatt 7,2V fűtőfeszültséget produkál. Egy másik transzformátorral visszatranszformálom a fűtőfeszültséget, amely egyenirányítás után egy R-C szűrővel 250V anódfeszültséget biztosít a csövek számára.
Az oszcillátor trióda a szokványos GDO kapcsolás. Lehetséges vele az abszorpciós frekvenciamérés (persze a pontosság a skála miatt nem túl jó) - de oszcillátor kapcsolásban kellő nagyságú rádiófrekvenciás feszültséget szolgáltat, ami a gyakorlatban jól használható rezonanciák megállapítására. A második trióda egy emitterkövető, amely tehermentesíti az oszcillátort, frekvenciamérő kicsatolással rendelkezik. A legfontosabb az, hogy a kimenő jelszintet egyenirányítás után az oszcillátorcső katódjára vezetve automatikus szintszabályzás jön létre.
A megvalósított műszerről a honlapom "3. Műszerek" menüpontjában fényképek találhatók, amelyeken látszik a műszer szerkezeti kialakítása. A műszerhez már beszereztem egy kisméretű frekvenciamérő panelt is, ami az előlapra lesz ráhelyezve - ha jut rá időm.

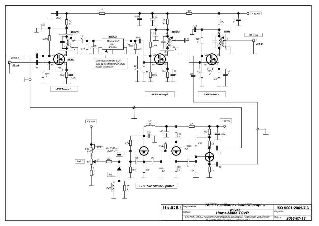
4.9. II. KF és shift lehetőség megvalósítása.
Az I. KF már jelentős oldalszelektivitást biztosít, azonban sokszor kellemetlenül "belógnak" az egyes közeli frekvencián és nagy térerővel jelen lévő állomások. Erre az analóg technikában a kézenfekvő megoldás, hogy a jelet lekeverjük egy második KF fokozatba, amelynek a szűrője hasonló karakterisztikával rendelkezik, mint az I. KF kristályszűrője. A lekeverést egy megfelelő kristályoszcillátorral végezzük, amelyet kismértékben +/- értékben, legalább 1,5 kHz szélességben el lehet hangolni. A "0" állásban a két szűrő vivő pozítciója egybe esik, elhangoláskor a két átviteli görbe egymáson jobbra-balra elcsúsztatható és a kellemetlenül hallatszódó "nem kívánt" állomás erejét legalább -6 dB-vel csillapítani lehet, ami a "kívánt" állomást érthetőbbé teszi. Persze, a digitális megoldások ennél sokkal többet is tudnak, de azokat meg az amatőrök többsége nem tudja kezelni.
A lekevert KF jelet 450...500 kHz körüli szokásos kvarcszűrőkkel valósítjuk meg, és a szűrő után akkora erősítést kell beállítani, hogy a szűrő csillapítását kompenzálja. A jelet ezután itt demodulálhatjuk, vagy visszakeverjük az eredeti I. KF frekvenciára (jelen esetben ezt a megoldást választottam) - és a bemeneti keverőjeltől 180°-os fázis eltolásban rákeverjük a produkt detektorra. Ha nem digitális VFO-t használunk, akkor csak egy BFO oszcillátort kell építeni, amely az I. KF frekvencián működik. A 180 fokos fáziseltolás azért kell, hogy ne alakuljon ki fütty, ill. visszagerjedés a hangfrekvenciás fokozatokban.
Mint minden hasonló áramköri megoldásnál, itt is ügyelni kell a megfelelő rádiófrekvenciás jelszintekre, ill. a tápellátás lépcsős kialakítására.

4.10. Első KF fokozat, AGC, S-mérő
A vevő I. KF fokozata, amely lényegében már önmagában is elég lenne - a II. KF fokozatot a KF-szelektivitás növelése miatt érdemes megépíteni. A fokozat dual-gate MOSFET tranzisztorokkal épül fel, amelyeket a nagy erősítés, ugyanakkor kis zaj jellemzi. A G2 elektródán át kiválóan szabályozható az erősítés. A kapcsolás kísértetiesen hasonlít a hagyományos, elektroncsövekkel felépített erősítőkhöz, azoknak mintegy analógja. Kisméretű 10 mm-es japán 10,7 MHz-es KF tekercsekkel megépíthető. Előzőleg az eredeti KF kondenzátora mellé 18-20 pF kondenzátorokat kell párhuzamba kötni, így a 10,7 MHz-ről 9 MHz-re behangolható a KF frekvencia. A 2. KF-hez meg kismértékű utánhangolással megfelelnek a 460 kHz-es eredeti tekercsek. A rajzon bejelöltem, hogy a 2. KF-et hová kell beiktatni, ha valaki meg akarja építeni.
A FET-ek magas drain impedanciája szükségtelenné teszi a KF-tekercsek primer oldalán a leágazások használatát, így azok bekötés nélkül maradnak.
A fokozat erősítése a hagyományos MGC/AGC kapcsolással, lassú-gyors időállandóval állítható be. Az AGC a szabályzási bázisértéket az RF-GAIN potenciométer mindenkori állásához igazítja. A fokozat a jelet a produkt detektor előtti utolsó KF-fokozatról kapja, amel egyben az S-mérőt is ellátja jellel. Az S-mérő nullázható és kalibrálható.
A KF-erősítő határozza meg a rádió vételi erősítésének a 80%-át, ezért a megfelelő bemeneti érzékenység és a kimeneti hangfrekvenciás jel viszonya 80-100 dB körül alkakul, a teljes erősítési tartományra vonatkozóan.

4.11. Hangolható rombusz-sloper 160-10 m-ig
Orosz és amerikai lapokban láttam ennek a konstrukciónak az eredeti változatait. Amit lehetett, "honosítottam" és kísérleti példányban meg is építette egy orosz amatőr az általam elküldött dokumnetáció alapján. Az antenna alapja egy 80 m-re méretezett hurok, amelynek alakja a négyzet és az 1:1,6 átlóarányú rombusz közötti bármely alakban kifeszíthető - a paraméterek kismértékű megváltozása mellett.
A csúcsában táplált hurokantennák illesztő impedanciája általában 110..120 ohm között alakul, ezért 50 ohmos kábel esetén 1:2 árambalun alkalmazása az ideális. A betáplálási pontokon a teljesítmény áramkomponense dominál, míg a feszültség viszonylag alacsony.
Az antenna felállításához egy tartóárboc is elegendő, ha a két oldalán lévő sarokpontokat műanyag kötéllel oldalirányban ki tudjuk kötni fához, vagy valamilyen műtárgyhoz. Az antenna 45 fok lejtéssel jó dx tulajdonságokat produkál, elsősorban a lejtő síkjára merőleges irányban.
Az illesztő transzformátort az árboc csúcsán kell elhelyezni, onnan a rombusz síkja 45 fokban tart a talaj felé, ahol is egy kb. 3 méteres oszlopon eljelyezett műanyag villanyszerelési dobozba csatlakozik, amiben el kell helyezni a hangolást megvalósító elemeket.
A hangoló elem egy áttételes kismotorral forgatott nagy légrésű forgókondenzátor. A hurok 80 m sávközépen - 3650 kHz körül adja a legkisebb SWR mellett a rezonanciát, a sáv két végén 1:2 az SWR - amit minden rádiónak kezelni kell tudni, ha mással nem, akkor illesztő készülékkel. Az 1. relé a 80 m-es loop-ot alakítja ki. A 2. relé bekapcsolja a loop hosszabbító tekercsét a hurokba, ami kb. 1850 kHz rezonanciára hozza a hurkot, de mivel a 160 m eléggé keskeny sáv, minden ponton megfelelő SWR érték adódik. A hatásfoka természetesen kevesebb, mint a 160 m-es huroknak - de mivel kevesen tudják csak telepíteni a rendelkezésre álló helyen, kompromisszumként elfogadható.
A 3. relé a nagy légrésű forgókondenzátort iktatja be a hurokba, ami a felsőbb sávokban kihangolható minden amatőrsávra, változó impedancia és reaktancia értékekkel, de használható.
Vigyázni kell a kapcsoló doboznál, mert ott már több kilovolt feszültségcsúcsok is vannak - főleg nagyobb teljesítmények esetén.
Az általam elkészített 1:2 arányú baluntranszformátor képe az "Antennák" menüpontban a 2.8. pont alatt tekinthető meg. Kérésre az adatait elküldöm.
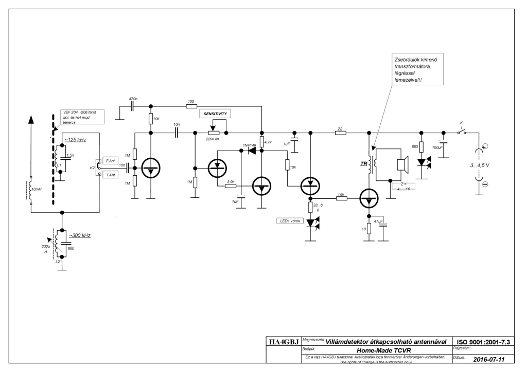
4.12. Villámdetektor a közeledő zivatarok előjelzésére
A rádióamatőrők részére az egyik legnagyobb veszélyt a zivatarok jelentik, amikor is könnyedén villámcsapás áldozatául járhat a sok elektromos rendszer, rádiók és antennák. Az antennák villámvédelme, valamint a váratlan készülékmeghibásodások elkerülésére jó, ha időben észleljük a zivatarok közeledését. Ma már az interneten számos weblap mutat elfogadható vészjelzéseket, de közvetlenül a villámok erőssége csak valamiféle detektorral érzékelhető. A kapcsolás tulajdonképpen egy hosszúhullámú egyenes vevő, amely a villámspektrumból a 100-300 kHz közötti komponenseket veszi. Itt a legerősebbek a villámok elektromágneses jelei. A jelek detektálásának az érzékenységét szabályozni lehet, ami az átlagos érzékelési távolságokat is mutatja.
Az én általam megépített példány több változatban megtalálható az interneten. A rendelkezésemre álló kacattárban található alkatrészekből, kis áramköri módosításokkal alakítottam ki a kapcsolást, amely jól bevált. Az erős villámokat már 250-300 km távolságból felvillanással jelzi. A zivatar közeledtével a villanások ereje és száma a közeledéssel arányos. Ha a zivatar felettünk van, a detektor sorozatfénye erős, hang is erősebben recseg, mint a hosszú- és középhullámú rádiókban. Intenzív zivatarok esetében a villogás és a hang folyamatosan látható, hallható. Igaz, ekkor már füllel is lehet a dörgéseket hallani, és látni a villámok fényét.
A villámlások irányát a ferritantennás üzemmódban távoli villámok esetében nagyjából meg tudjuk határozni, azonban a villámok pontos távolságát és helyét már csak komolyabb felépítésű detektorokkal vagyunk képesek meghatározni. Együtt használva a kis műszerünket az internetes weboldalakkal azonban már jó közelítéssel meg tudjuk állapítani, hogy mikor rohanjunk ki az antennákat kicsavarni.
Az alkatrészek nem kritikusak, "mezei" PNP és NPN tranzisztorokkal kivitelezhető az áramkör. Az első tranzisztor lehetőleg nagy erősítéssel rendelkezzen. A ferritantennás üzem esetében a VEF-204 rádióból "kioperált" ferritantenna az elektromágneses rezgések mágneses komponenseit veszi.
Az érzékenységet úgy állítsuk be, hogy a közvetlen közelben működő kapcsolóüzemű retkek ne indítsák be a detektort. Így is előfordul, hogy a lakásban be- és kikapcsolódó induktív fogyasztók esetleg hamis villananást okoznak, de ezeket meg lehet különböztetni a villámok jeleitől.
Először javaslom, hogy a működőképesség ellenőrzésére ún. "öcsi" panelen (clip board) építsük meg az áramkört, mert ott könnyedén lehet a kapcsolás elemeit módosítani. Én hagytam az "öcsi" panelen az egész szerkezetet - a kiegészítő berendezések menüpontban látható - úgy dobozoltam be. 4 db 1,5 V-os tartós elemek legalább 1 évig bőven ellátják árammal a detektort. Természetesen, ha használaton kívül ki van kapcsolva a detektor.